︎
︎
Our Firm
︎
︎
︎
︎
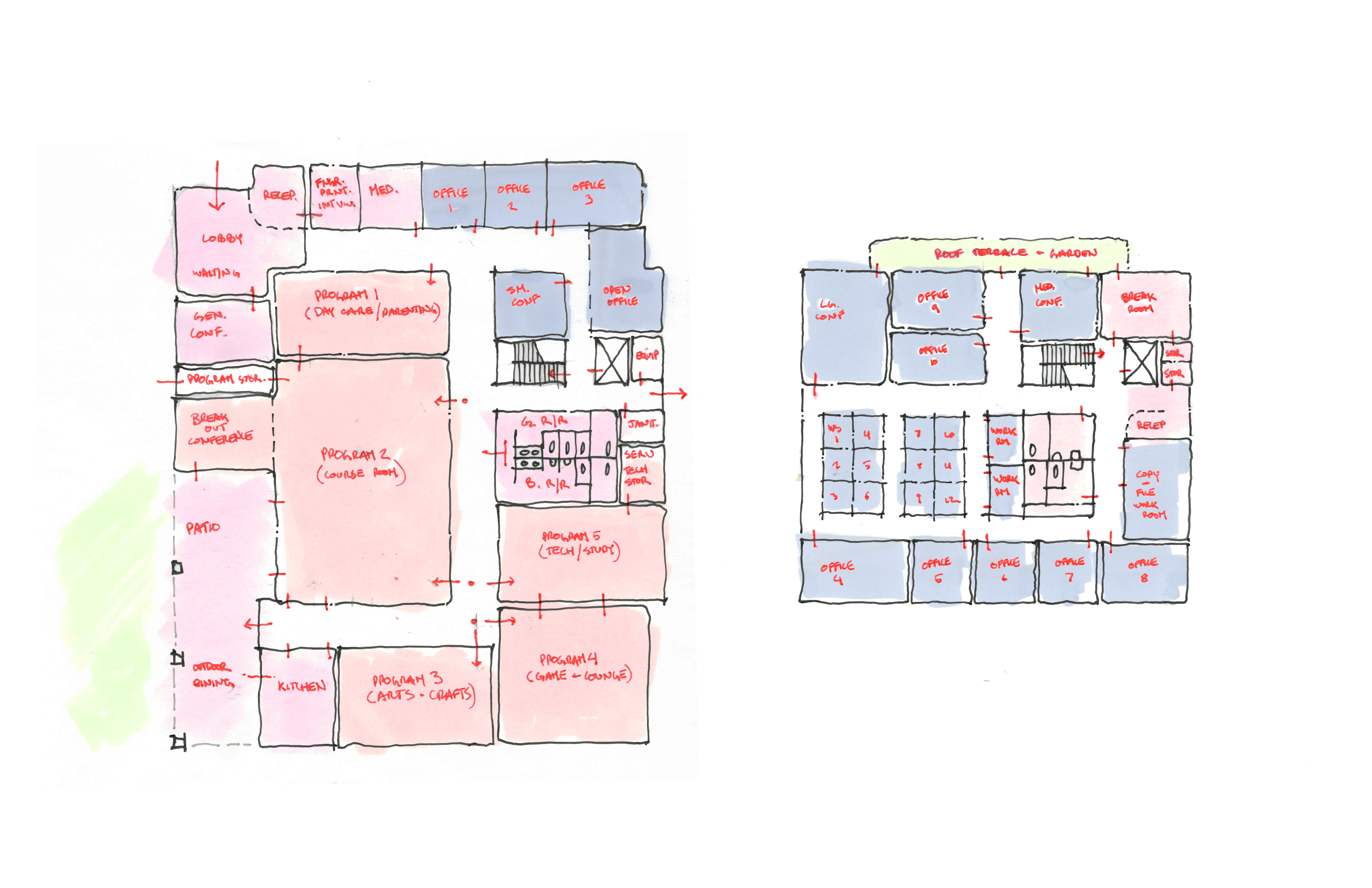
New Pathways for Youth Facility
Designed in 2014